Materiale per Arduino, PIC ed altro materiale collegato anche ai miei articoli già pubblicati
(Contattare la singola rivista dall'apposito link per chiedere arretrati o materiale complementare)
Generatore di onde sinusoidali e quadre con Pic 16F628 Fare Elettronica n. 340 - ottobre 2013

Firmware Binary HEX format (2012 08 11)
PCB 1:1 pdf A4 format (2012 09)


Costruirsi una JREBoard per Pic (universal PIC JREBoard) Fare Elettronica n. 331 - gennaio 2013

Firmware Binary HEX format (V 1.0)

Costruirsi un bromografo a lampade UV CQ Elettronica febbraio-marzo 2012

Timer countdown per bromografo CQ Elettronica maggio-giugno 2012
Files di progetto formato KICAD
Source code assembler PIC16F84A
Binario formato .HEX 4 MHz PIC16F84A
Binario formato .HEX 4.194304 MHz PIC16F84A
Software for Arduino
LiquidMenu Class (.zip format) for LCD LiquidCrystal Class (or compatible)
LiquidMenu Class is a very simple and enable you to create a menu in LCD with slide cursor up and down. It manages section to fit into LCD lines and move the cursor.
Don't need installation: you must copy into Arduino's libraries directory. Next Arduino's ide restart you should have in "file->Examples" menu, the LiquidMenu item. If you don't see verify the follow library files tree:
/arduino main directory/libraries/LiquidMenu/examples/LiquidMenu
In LiquidMenu directory you must see LiquidMenu.cpp,LiquidMenu.h,keywords.txt ad examples dir. In Examples directory you must see LiquidMenu sketch directory.
All files in .zip
LiquidMenu.cpp (file class)
LiquidMenu.h (class header)
keywords.txt (syntax color keywords)
LiquidMenu.ino (example)
Use of library is very simple and fast(example in library should be very clear):
1) call class constructor
2) fill menu descriptor string array (every strig added you get index value))
3) call initmenu for show first section menu
4) next you manages UP/DOWN button and on every pression you can call moveCursorMenu method with up/down flag.
5) at user action you can call getMenuSelected method to get index to selected menu.
If you need informations write me.
Enjoy
For NRF24L01+ Poor Man's Wireless 2.4GHz Scanner by Rolf Henkel and modified for I need.
LM35 temperature sensor full range scale application.
LM35 is a sensor that gives a linear precison output in millivolts. It can works in many schemas type. One of these is a full-range scale. It gives an output from -550 mV to +1500 mV for -55C to +150C. For the best precision you need a precision voltage reference. Another problem is unstable read from analog pin (Arduino problem) that you can resolve with an average of values read.
This Arduino sketch permits you to use a full range scale National's datasheet schematic application. You can read analog value from -55 to 150 Celsius degrees (depends type LM35 sensor uses). Standard full range application:
You can download the sketch .ino format
Full range read for LM35 sensor
or
Zip files by IK0JRE.
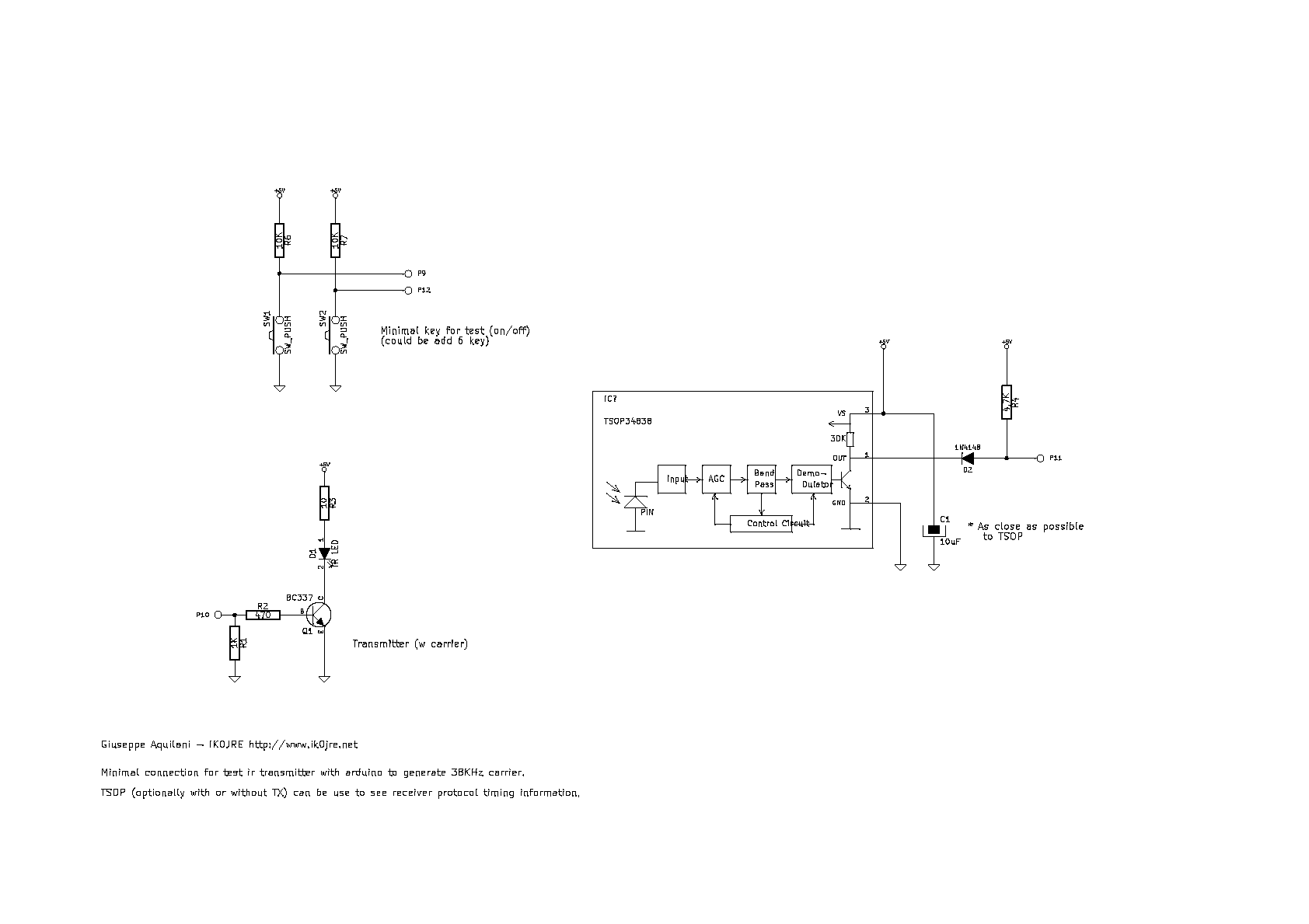
Infra red remote control for ceiling fal, heater and other.
Simple project for control fan, ceiling fan or heater. This project was born for
analyze IR REMOTE fan/heater protocol.
This Arduino sketch permits you to use Arduino as protocol reader (very small).
The project uses TSOP4838 too as receiver at 38KHz.
Is possbile either with 2 switch or serial interface to send command at IR receiver.
You can add more switches to drive up to 8 command.
The software generates 38KHz carrier and send command with IR led driven from
BC337 NPN transistor (schematic in source code).
You can download the last version (0.3B ) of sketch .ino format
Ceiling FAN remote control
or
Zip files by IK0JRE.
Minimal schematic:
Arduino Board and breadboard shield:
Waveform (with 38KHz carrier) sent from arduino for one key:
If you want donate can use the follow button:
Le donazioni saranno utilizzate esclusivamente per la manutenzione del sito.Grazie infinite.
Donations will be uses for updates web site only, Thank you so much.
Work in progress
Last update: 2013/11/10